This is a follow-up of a previous article, "Characterizing the Mini-Circuits ZFSC-4-3, ZFDC-20-3, ZFSC-4-1-BNC+ and ZFSC-2-1+ well below their designed frequency range" - link.
Comment:
All of the devices described here could also be used to combine signals from multiple sources. Unless the signals being combined are "phase coherent" (e.g. from the same signal source) the insertion loss will be the same as that in splitter operation.
"Rolling your own" splitter for LF through HF (<30kHz-30MHz):
Unless you get the Mini-Circuits devices for cheap at a swap meet or via a surplus outlet, their cost may be a bit prohibitive for casual use in the shack. How about making your own splitter that will work over the 30 kHz-30 MHz range?
Why would one want this? There are a number of modern Web-Based SDR receivers that cover from (literally!) audio through 30 MHz - and in my case, I have a number of KiwiSDR receivers - link that are connected to an antenna system that is capable of intercepting signals over this range. If one has several such receivers, it can be a challenge to find a splitter that works well over this range - particularly the low end - as described in the article linked above.
Two-transformer splitter/combiner:
A common splitter topology consists of two cores: One to transform the impedance to half that of the characteristic system impedance and a second to split the signal two ways as depicted in Figure 1. The inductance of L1 and L2 should be high enough to present a reactance of 3-10 times the system impedance at the lowest frequency.
For LF and HF use, this splitter is just "OK" - the loss being an extra 3dB at the high end of the spectrum: If preceded with amplification, this loss may be tolerable - but note that even the nominal 3dB loss of a 2-way splitter should be of concern at the higher HF bands as signals - and the natural noise floor - can be quite weak and additional loss can drop the receiver's noise floor below that, potentially causing the loss of reception of weaker signals.
Much of the high-frequency loss is due to the inter-winding capacitance. Experimentally, versions were constructed using wire with PTFE ("Teflon") insulation and comparing it with another with the same number of turns of the 30 AWG enamel and the losses for the PTFE wire version were 1.5-2dB lower - but fewer turns could be passed through the core and low-frequency response suffered.
Single-transformer splitter-combiner:
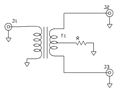
Another common splitter/combiner is the form depicted in Figure 3, using a single core - and potentially this can reduce loss compared with a device with two cores.
In this system the primary should consists of 1.414 times (e.g. the square root of two) as many turns as each of the secondary windings.
![]() | |
| Figure 4: The insertion loss of the described two-way splitter using 24 AWG wire on an FT50-75 core: It is well below 4dB over the range of 10 kHz to 60 MHz. Click on the image for a larger version. |
The results of this work are visible in Figure 4. For this transformer, two parallel secondary "bifilar" windings consisting of 14 turns each were carefully and neatly laid down using 24 AWG enamel wire with 20 turns of 24 AWG over the top. As can be seen, the results are excellent: The insertion loss is below 3.6dB from 10 kHz to 60 MHz and the overlaid Smith chart shows the VSWR to be pretty well-behaved, never exceeding 1.5:1 over this range.
A four-way splitter:
I happened to have a need to take signals over a wide frequency range and split it four ways - specifically, to several KiwiSDR receivers, stand-alone web-based receivers capable of reception over the 5kHz-30MHz range - so I decided to construct a splitter using the configuration described above. To do this, I would need three splitters: A pair of splitters to feed the four outputs and one more splitter to feed the aforementioned two splitters. This splitter is depicted schematically in Figure 6:
This
splitter consists of three of the two-way splitters connected as described:
FT50-75 cores wound with 14 turns, each of two parallel 24 AWG conductors for the
secondary overlaid with 20 turns of 24 AWG for the primary. During testing it was
observed that the addition of capacitors "C" slightly reduced (by nearly 1 dB) the insertion loss at 30 MHz at the expense of increased loss (about 2dB) at 60 MHz - but because the target high-end limit was 30 MHz, this was considered to be acceptable.
The end result was an insertion loss (see Figure 7)
of less than 7 dB from 20 kHz through 30 MHz, rising to 8 dB and 9.3 dB
at 10 kHz and 60 MHz, respectively, being under 6.3dB between 50 kHz
and 10 MHz. In testing port-to-port isolation, the worst case results
were those obtained from the same transformer (e.g. T2 or T3) and this value was at least 15dB from 50 kHz to 30 MHz.
This
four-way splitter was built into a small die-case box for mechanical
rigidity and electrical shielding. Inside the box, pieces of
plastic tape were affixed to the bottom and the lid to eliminate the
possibility of inadvertent shorting of connections to the case: Details
of the mechanical construction may be see in Figure 8.
To reiterate: It was determined that with the number of turns required to obtain good response into the LF range (e.g. below 30 kHz) that the use of twisted bifilar windings was NOT indicated: Doing so resulted in excess loss (3-6dB) by the time one got to 30 MHz. As indicated, the use of thicker insulation (e.g. PTFE versus enamel) reduced this loss somewhat, but using the smallest wire on hand with the only available 75 mix toroid, too few turns could be wound to afford the needed inductance for the desired low frequency respons: The best-results with the materials on-hand were obtained by simply laying the "bifilar" windings parallel to each other. In this case, 24 AWG enamel wire was used, a compromise between lower skin-effect losses and the ability to fit the required number of turns on the FT-50 core.
Comment: There are other splitter topologies available that have their own sets of advantages and disadvanges. While some of these may be discussed in (a) future article(s), they are beyond the scope of this article - which is the construction of a very simple, straightforward device that is suitable for the task at hand.
Conclusion:
To reiterate: It was determined that with the number of turns required to obtain good response into the LF range (e.g. below 30 kHz) that the use of twisted bifilar windings was NOT indicated: Doing so resulted in excess loss (3-6dB) by the time one got to 30 MHz. As indicated, the use of thicker insulation (e.g. PTFE versus enamel) reduced this loss somewhat, but using the smallest wire on hand with the only available 75 mix toroid, too few turns could be wound to afford the needed inductance for the desired low frequency respons: The best-results with the materials on-hand were obtained by simply laying the "bifilar" windings parallel to each other. In this case, 24 AWG enamel wire was used, a compromise between lower skin-effect losses and the ability to fit the required number of turns on the FT-50 core.
Comment: There are other splitter topologies available that have their own sets of advantages and disadvanges. While some of these may be discussed in (a) future article(s), they are beyond the scope of this article - which is the construction of a very simple, straightforward device that is suitable for the task at hand.
Conclusion:
If
one needs a very wide-range splitter for broadband receivers that cover
from LF through HF - such as some modern "Direct Sampling" SDRs (e.g. the KiwiSDR)
there are some commercially-available devices that may be found that
will work well - if you can find them surplus, or are willing to pay for them. If you are willing, a perfectly suitable device may be
constructed inexpensive using a minimal complement of components.
This is a follow-up of a previous article, "Characterizing the Mini-Circuits ZFSC-4-3, ZFDC-20-3, ZFSC-4-1-BNC+ and ZFSC-2-1+ well below their designed frequency range" - link.
Stolen from ka7oei.blogspot.com
[End]








No comments:
Post a Comment
PLEASE NOTE:
While I DO appreciate comments, those comments that are just vehicles to other web sites without substantial content in their own right WILL NOT be posted!
If you include a link in your comment that simply points to advertisements or a commercial web page, it WILL be rejected as SPAM!